離子風扇BF-X2ME
規格
| 型號 | BF-X2ME |
| 輸入電源 | DC24V (附帶AC適配器、支持AC100-240V) |
| 容量 | 10VA |
| 輸出電壓 | ±7,500V0-p |
| 離子平衡 | ±5V以下(距離300mm:工廠出廠時) |
| 除靜電時間 | 1.5秒以下(距離300mm、風量最大:工廠出廠時) |
| 風量 | 1.4~3.2 m3 / min |
| 風速 | 1.5~3.0 m / sec (距離300mm中央) |
| 臭氧發生量 | 0.004ppm以下(距離150mm) |
| 工作環境 | 周圍溫度:0~40℃ / 周圍濕度:15~85%RH(不結露) |
| 篩檢程式 | 預篩檢程式級 |
| 輸出信號 | MOS FET繼電器無電壓接點輸出(NC輸出)、(高電壓異常或風扇異常時OFF) |
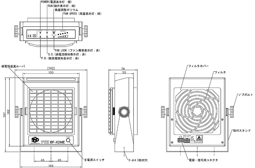
| 主體尺寸 | 150×182×76 mm (W×H×D) (不包含突起部分) |
| 重量 | 約1,000g (包含座架) |
| 材質 | 主體:ABS、放電針:鎢、座架:SECC、放氣窗:導電性PC/ABS |
| 噪音 | 60dB(A)(距離1m) |
| 附屬品 | 使用說明書、AC適配器、輸出信號連接用引線(2個/組) |
| 選購件 | 放電針組件:DNU-W85、篩檢程式(10張/套):OBF-F2MA-1-10 |






